Cosses aluminium-cuivre à fût court NFC63-061-B
Caractéristiques
- Matière : douilles aluminium 1050A et plage cuivre Cu A1
- Soudure : friction et testée suivant norme NFC-33090-1
- Alésage : enduit de graisse neutre
Références
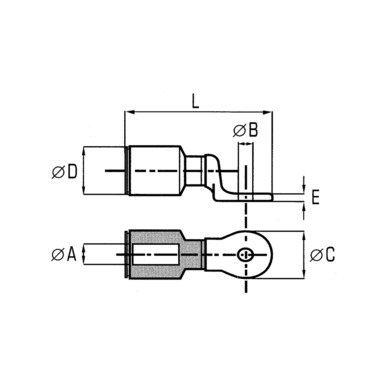
| Référence | Section | Dimensions mm | Condt | Panier | |||||
|---|---|---|---|---|---|---|---|---|---|
| mm² | ØA | ØB | ØC | ØD | e | l | pcs | ||
| caubt35 | 35 | 8 | 8.5 | 20 | 16 | 4.5 | 67 | 3 | |
| caubt50 | 50 | 9 | 8.5 | 20 | 16 | 4.5 | 67 | 3 | |
| caubt70 | 70 | 11 | 10.5 | 20 | 20 | 4.5 | 67 | 3 | |
| caubt95 | 95 | 12.5 | 10.5 | 20 | 20 | 4.5 | 67 | 3 | |
| caubt120 | 120 | 13.7 | 10.5 | 20 | 20 | 5 | 67 | 3 | |
| caubt150 | 150 | 15.5 | 10.5 | 25 | 27 | 5 | 79 | 3 | |
| caubt185 | 185 | 17 | 10.5 | 25 | 27 | 5 | 79 | 3 | |
| caubt240 | 240 | 19.5 | 10.5 | 30 | 27 | 6 | 87 | 3 | |
| caubt300 | 300 | 22 | 14.5 | 30 | 32 | 6 | 90 | 3 | |